Журнал

Vivado reprorts => report_clock_networks

8 ноября 2017 г.· 5 мин на чтение

report_clock_networks Vivado 2017.3 Синтаксис report_clock_networks [-file <arg>] [-append] [-name <arg>] [-return_string] [-endpoints_only] [-levels <arg>] [-expand_buckets] [-suppress_endpoints <arg>] [-clocks <args>] [-unconstrained_roots <args>] [-quiet]...

report_clock_networks

Vivado 2017.3
 

Синтаксис
report_clock_networks [-file <arg>] [-append] [-name <arg>] [-return_string] [-endpoints_only] [-levels <arg>] [-expand_buckets] [-suppress_endpoints <arg>] [-clocks <args>] [-unconstrained_roots <args>] [-quiet] [-verbose]

Возвращаемое значение
Нет
 
Категории
Report, Timing
 
Описание

   Генерирование отчёта о разветвлении тактовой сети. Требуется открытый синтезированный или имплементированный проект. Графическая интерпретация отчёта доступна при использовании опции –name.
   По умолчанию будет выведен упрощённый отчёт, в котором будут указаны имена тактовых цепей и пины стартовых точек тактовый сетей.
   Отчёт будет отправлен в стандартное устройство вывода, если нет опций –file, -return_string, -name.

 
Аргументы

 

-file <arg> - (опционально) Записать отчёт в файл. Если файл существует, он будет перезаписан или же информация будет добавлена в файл, если использована опция –append
Примечание: если путь не указан в имени файла, то файл будет записан в текущую рабочую директорию или в директорию, из которой запущена среда.
 
-append – (опционально) добавить выходные данные команды в файл, вместо того, что бы его перезаписать.
Примечание: опция –append может быть использована только с опцией ?file
 
-name <arg> - (опционально) задаёт имя отчёта и отображает отчёт в  графическом интерфейсе. Если отчёт  c таким именем уже сформирован, то он будет закрыт, а новый будет отображён.
 
-return_string – (опционально) Сформировать выход команды в TCL строку, вместо того, что бы отобразить её  в стандартном устройстве ввода/вывода. TCL строка может быть определена как переменная и в последующем обработана.
Примечание: эта опция не моет быть использована совместно с опцией ?file
 
-endpoints_only – (опционально) Включить в отчёт конечные точки тактовой сети.  Конечные точки будут сгруппированы по типу ячейки и сортированы по тактовым пинам. Эта опция не может быть использована совместно с опцией -levels
 
-levels <arg> - (опционально) Развернуть тактовую сеть на определённое количество уровней. По умолчанию значение 0. Указываемое количество уровней должно быть больше 0. Отчёт может содержать полное описание тактовой сети, если указано достаточное количество уровней. Эта опция не может быть использована совместно с опцией -endpoints_only
 
-expand_buckets – (опционально) Вывести в отчёт развёрнутую тактовую сеть до всех конечных точек, возвращаемых опциями  ?endpoints_only или -level
 
-suppress_endpoints [ clock | nonclock ] – (опционально) Позволяет скрыть в отчёте тактовые сети, которые разветвляются к тактовым или не тактовым конечным точкам (см. примеры). 
 
-clocks <args> - (опционально) Позволяет сформировать отчёт для определённой тактовой сети. Если опция не указана, то выводится отчёт для всех тактовый сетей.
 
-unconstrained_roots <args> - (опционально)  Для кристаллов семейства UltraScale и для кристаллов с поддержкой структуры «clock root» («корень» тактового дерева – центральная точка тактовой сети, см. UG572 UltraScale Architecture Clocking Resources), позволяет определить список пинов или портов «корней» тактового дерева, которые не были покрыты временными ограничениями. Если эта опция отсутствует, то в отчёте будут показаны все «корни» тактового дерева, непокрытые соответствующими временными ограничениями.
 
-quiet – (опционально) Команда выполняется в «тихом» режиме, сообщения команды не отображаются. Команда возвращает TCL_OK независимо от каких-либо ошибок её выполнения.
Примечание: Если ошибка обнаружена в командной строке при вводе команды, то ошибка будет отображена. Не отображается ошибки, которые появляются во время выполнения команды.
 
-verbose – (опционально) Временное переопределение ограничений на количество выводимых сообщений команды.
Примечание: количество выводимых сообщений может регулироваться с помощью команды set_msg_config.

 
Примеры

   Рассмотрим модуль, у которого имеется два основных тактовых сигнала   «ipadClock» и «ipadClock_unconstrained»:
 
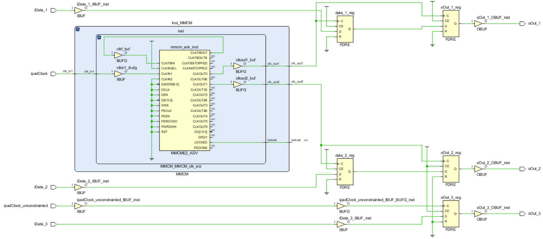
          Тактовый сигнал ipadClock, имеющий частоту 100МГц подключён к MMCM, который генерирует два тактовых сигнала «clk_1»  и «clk_2» c частотами 100МГц и 200МГц соответственно:
 
 
 
   Для тактового входа «ipadClock_unconstrained» не объявлены никакие временные ограничения.
 
   Сигнал «iData_1» c через два промежуточных триггера c тактовым доменом clk_1 попадает на выход «oOut_1». Аналогично для «iData_2». Сигнал «iData_3» в тактовом домене «ipadClock_unconstrained» через триггер подаётся на выход «oOut_3». Код, реализующий такую структуру:
 
   1. Выполним синтез. Netlist выглядит следующим образом
 
 
 
 
   2. Запустим report_clock_networks:
 
   Как видим, упрощённый отчёт показывает, что имеется два основных тактовых сигнала, один из которых «ipadClock» покрыт временными ограничениями, заданными в мастере настроек MMCM, второй «ipadClock_unconstrained» не имеет соответствующих ограничений и находится в категории Unconstrained Clocks. Тактовый сигнал от «ipadClock» имеет 4 тактовых конечных точки (endpoints), которыми является 4 триггера (data_1_reg, oOut_1_reg, data_2_reg, oOut_2_reg)  и 1 конечная точка которая не является тактовой (non-clock) – это линия обратной связи блока MMCM (от выхода CLKFBOUT до входа CLKFBIN).
   Для тактового сигнала «ipadClock_unconstrained» имеется всего одна тактовая конечная точка, это «oOut_3_reg».
 
   Примечание: сигналы из группы «Unconstrained Clocks» должны быть покрыты соответствующими временными ограничениями, в противном случае отчёты, которые требуют информации о тактовой сети, будут сформированы некорректно или не полностью.

 

 

   3. Выведем отчёт о конечных точках, сгруппированных по типу конечных точек. Воспользуемся опцией -endpoints_only:
report_clock_networks -endpoints_only
 

 
   4. Воспользовавшись опцией -expand_buckets получим развёрнутый список конечных точек  для тактовых сетей:
report_clock_networks -endpoints_only -expand_buckets

 
   5. Для того чтобы отсортировать конечные точки по типу clock и nonclock воспользуемся опцией -suppress_endpoints с ключом clock или nonclock. Сформируем отчет, в котором будут только таковые сети типа nonclock:
report_clock_networks -endpoints_only -expand_buckets -suppress_endpoints clock

 
   6. Для просмотра отчёта в графическом виде, воспользуемся опцией  -name :
report_clock_networks –name Clocks_Network
 
Этот отчёт также можно фильтровать, используя различные опции фильтрации, доступные в окне настроек:


 
Также посмотрите:
create_clock
get_clocks
 
 
Литература
   UG835 Vivado Design Suite Tcl Command Reference Guide
   UG906 Design Analysis and Closure Techniques