Новость
Статья про Video Frame Buffer от Адама Тэйлора
22 ноября 2022 г.· FPGA-Systems archive· Заметка
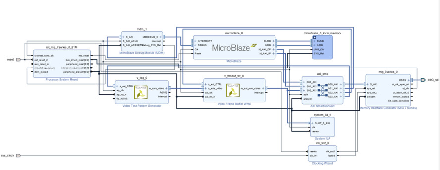
MicroZed Chronicles: Video Frame Buffer Write В этом блоге мы рассмотрим IP-модуль Video Frame Buffer Write и создадим простую конструкцию, демонстрирующую запись данных в память DDR. Источником видеопотока в этой ссылке будет генератор тестовых шабл...
MicroZed Chronicles: Video Frame Buffer Write
В этом блоге мы рассмотрим IP-модуль Video Frame Buffer Write и создадим простую конструкцию, демонстрирующую запись данных в память DDR. Источником видеопотока в этой ссылке будет генератор тестовых шаблонов.

Полный материал статьи можно найти по ссылке